グローバルナビゲーションへ
本文へ
ローカルナビゲーションへ
フッターへ
[文字サイズ変更機能]JavaScript推奨
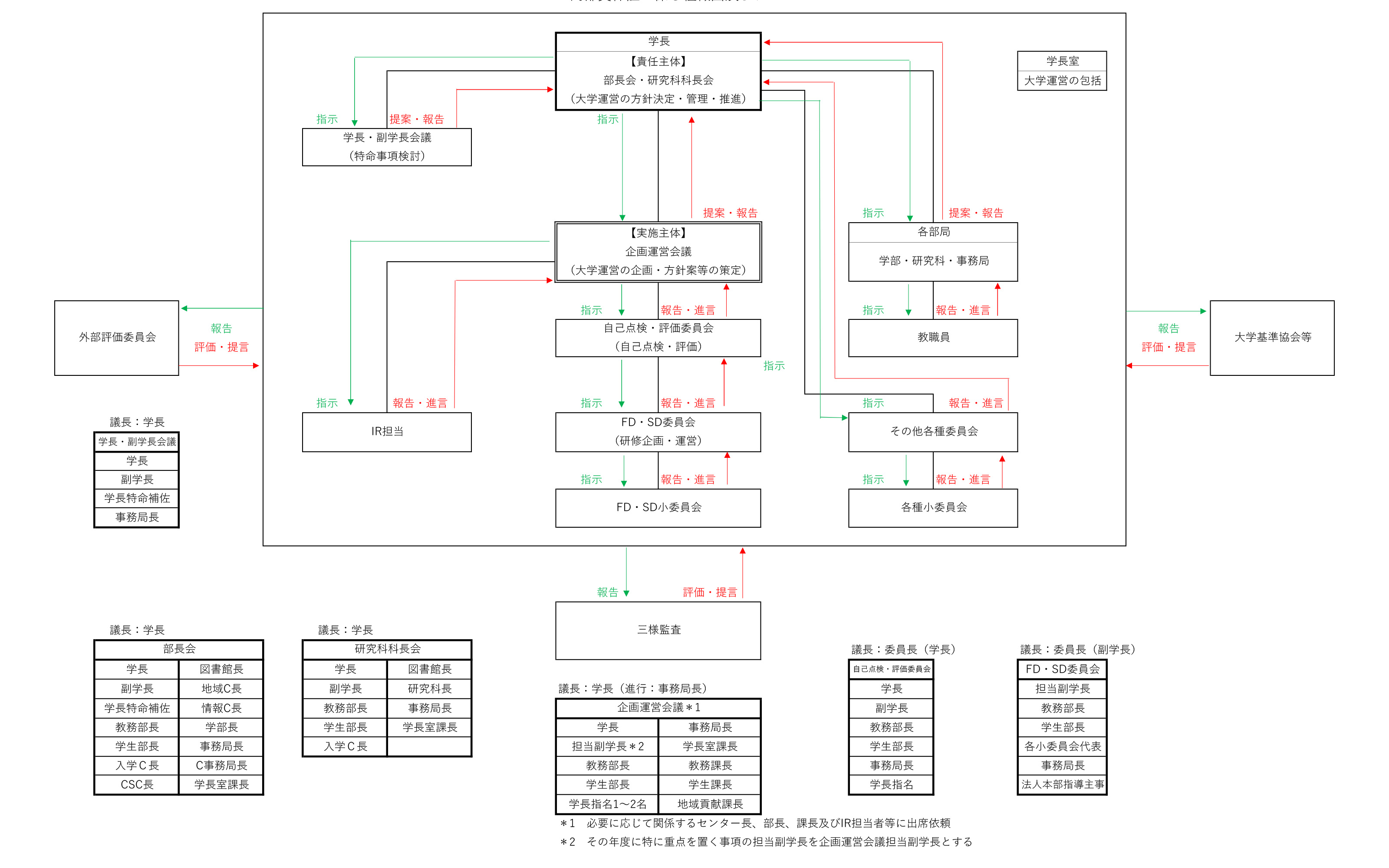
(画像クリックで拡大します)
大学・短大案内
ホームへ戻る
静岡 草薙キャンパス
アクセス
静岡 瀬名キャンパス
静岡 水落キャンパス
浜松キャンパス